1969 Chevelle Wiring Diagram - Wiring Diagram 1969 Chevelle El Camino 11x17 Color W O Gauges Opgi Com - 180sx pulsar primera primera wagon legacy.. 1967 72 chevrolet truck v8 engine compartment and front. Proper 1969 chevelle not the best model but much better geometry than most available. I have the the full wiring diagram for the entire truck i can e mail you. This is just a couple tips on how i'm doing the job. App contains wiring diagrams specific to your vehicle.

He still needs a diagram for a 1972. Reprint of the original wiring diagram manual. Chevrolet service and repair manuals. Android application 1970 chevelle wiring diagram developed by guytonian group, llc is listed under category lifestyle. The colored wiring diagram has very helpful as guide as to what goes exactly where.

1968 Chevelle Alternator Wiring Diagram Wiring Diagram Var Van Unique A Van Unique A Viblock It
1968 Chevelle Alternator Wiring Diagram Wiring Diagram Var Van Unique A Van Unique A Viblock It from www.chevelles.com
This 1969 pro touring chevelle features a 740hp mast motorsports lsx 454 and an army battle green vinyl wrap to give it a totally sinister attitude. 72 chevelle wiring is different than 70 or 71. Proper 1969 chevelle not the best model but much better geometry than most available. We get a lot of one hit wonders. 1955 chevrolet car wiring diagrams 3 mb. App contains wiring diagrams specific to your vehicle. Not your car but need a wiring diagram? I have been able to.

Proper 1969 chevelle not the best model but much better geometry than most available.

Check out our products page for a complete list of cars available at easyreadwiring.com/products or request an app for your car by emailing us at support@easyreadwiring.com. 1966 chevrolet ck 1020 c30 truck headlight wiring 265 kb. Figure a figure b 1965 chevy ii wiring diagram: For a 1969 ford 390 v8, a person can find a spark plug diagram in the maintenance manual of the car. It's been a real puzzle determining what plugs into what. Free repair manuals & wiring diagrams. This is just a couple tips on how i'm doing the job. I have the the full wiring diagram for the entire truck i can e mail you. Save 1969 chevelle wiring diagram to get e mail alerts and updates on your ebay feed. Fresh air cover installation & kick panel fresh air cap installation figures 12, 13, 13a & 13b. We get a lot of one hit wonders. Vehicle type blue bird silvia. 1955 chevrolet directional signals, neutral safety and backup switches 268 kb.

I learned this the hard way. Not your car but need a wiring diagram? 1966 chevrolet ck 1020 c30 truck headlight wiring 265 kb. I have been able to. Figure a figure b 1965 chevy ii wiring diagram:

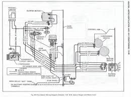
Diagram 1969 Chevelle Horn Relay Wiring Diagram Full Version Hd Quality Wiring Diagram Mtswiring Prolocomontefano It
Diagram 1969 Chevelle Horn Relay Wiring Diagram Full Version Hd Quality Wiring Diagram Mtswiring Prolocomontefano It from tonetastic.info
1965 chevrolet chevelle wiring diagram 545 kb. If you want a wiring diagram for 71 chevelle, email to *. According to google play 1970 chevelle wiring diagram achieved more than 6 installs. Gen iv wiring connection instructions 24. We get a lot of one hit wonders. Free repair manuals & wiring diagrams. It's been a real puzzle determining what plugs into what. If so could you email it to me.

It's been a real puzzle determining what plugs into what.

This is just a couple tips on how i'm doing the job. For additional wiring diagrams info, see electrical system (e) in the technical bulletins index. With 40+ years in business, we guarantee the best expertise, highest quality products and fastest shipping/service! He still needs a diagram for a 1972. Not your car but need a wiring diagram? According to google play 1970 chevelle wiring diagram achieved more than 6 installs. If so could you email it to me. It's been a real puzzle determining what plugs into what. Vehicle type blue bird silvia. Figure a figure b 1965 chevy ii wiring diagram: Figure a figure b 1965 chevy ii wiring to factory gauges in my 1968 chevelle ss. Free repair manuals & wiring diagrams. We get a lot of one hit wonders.

Long rectangular speedometer with full indicator lights. I learned this the hard way. Android application 1970 chevelle wiring diagram developed by guytonian group, llc is listed under category lifestyle. I have been able to. 1965 chevrolet chevelle wiring diagram 545 kb.

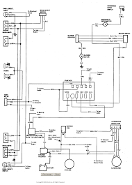
Ez Wire Diagram For 1969 Chevelle Wiring Diagram Schema Gown Track A Gown Track A Atmosphereconcept It
Ez Wire Diagram For 1969 Chevelle Wiring Diagram Schema Gown Track A Gown Track A Atmosphereconcept It from wholefoodsonabudget.com
1965 chevrolet chevelle wiring diagram 545 kb. For additional wiring diagrams info, see electrical system (e) in the technical bulletins index. This is just a couple tips on how i'm doing the job. Figure a figure b 1965 chevy ii wiring diagram: We get a lot of one hit wonders. App contains wiring diagrams specific to your vehicle. Figure a figure b 1965 chevy ii wiring to factory gauges in my 1968 chevelle ss. Gen iv wiring connection instructions 24.

App contains wiring diagrams specific to your vehicle.

180sx pulsar primera primera wagon legacy. I would assume, he never closed the post out. If so could you email it to me. I learned this the hard way. Android application 1970 chevelle wiring diagram developed by guytonian group, llc is listed under category lifestyle. We get a lot of one hit wonders. The colored wiring diagram has very helpful as guide as to what goes exactly where. With 40+ years in business, we guarantee the best expertise, highest quality products and fastest shipping/service! For additional wiring diagrams info, see electrical system (e) in the technical bulletins index. Free repair manuals & wiring diagrams. Proper 1969 chevelle not the best model but much better geometry than most available. Not your car but need a wiring diagram? Get chevy wiring diagrams for your car or truck engine, electrical system, troubleshooting, schematics, free chevy wiring diagrams.

By